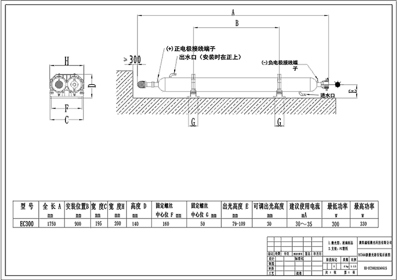
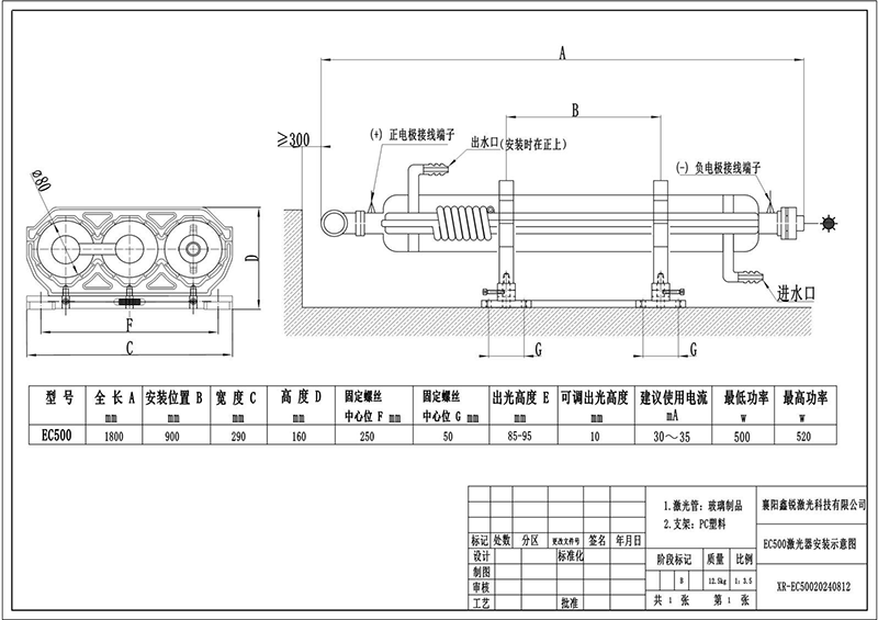
EC 系列CO2 激光管
鑫锐激光EC系列CO2激光管是我公司历经多年研制的长寿命增强型CO2激光管,激光管功率高、光束细、发光性能稳定,放电管镀有催化剂,使其工作寿命大为增加,相比同类产品有体积小、光斑模式好、切割速度快的优势。该系列产品质保期12个月,可和公司现有电源、镜片系列产品完全配套,使用更稳定,寿命更长。适用领域:有机材料、布料、皮革、木板、亚克力、玻璃等的切割。
			EC 系列CO2 激光管
			
			


型号  | 长度(mm)  | 直径(mm)  | 输出功率(W)  | 最高功率(w)  | 工作电流(mA)  | 催化剂  | 
EC300  | 2*1650±20  | Φ80  | 300  | 320  | 30  |   有 | 
EC500  | 3*1650±20  | Φ80  | 500  | 550  | 30  |